Процесс преобразования электромагнитных волн в механические колебания подвижной части диффузора громкоговорителя многократно описан в тысячах публикаций — от школьных учебников до научных диссертаций. Не меньшее количество изысканий можно найти и о проблемах минимизации изменений сигнала, происходящих в линейной (условно) системе «источник сигнала–диффузор». До тех пор, пока конечный результат работы акустической системы не будет соответствовать характеристикам входного сигнала источника (микрофон, гитара, проигрыватель и т. п.), такие профессии как разработчик аудиопроцессоров, системный инженер звуковых комплексов и специалист по маркетингу компании-производителя звукового оборудования будут очень востребованы.

С появлением современных приборов обработки звукового сигнала работа в цифровой среде стала доступна как по затратам, так и по понятийной доступности. Алгоритмы управления и интерфейсы приборов плюс-минус похожи и не всегда требуют внимательного изучения инструкций пользователя. Но, это лишь тогда, когда речь идёт о приборах, находящихся в мейнстриме развития отрасли и не блещущих новаторством технологических и научных изысканий. В качестве аналогии можно привести городской седан и болид FORMULA 1, которые, по сути, являются представителями одной категории механизмов, выросшей из обычной телеги, — 4 колеса и мотор. Но, обычный городской водитель не сможет даже тронуться с места на гоночном автомобиле — масса особенностей, нюансов, парадоксальных возможностей и сопряжённых с ними трудностей. Так и работа с управляющими процессорами требует быть готовым к вопросу «а что, и такое возможно???»
Комбинирование и совмещение определённых типов приборов в единой системе способствует минимизации затрат на сопряжение и согласование отдельных компонентов. Кроме того, блочная интеграция помогает избежать большого количества ошибок, совершаемых пользователями. Errare humanum est, т. е. «человеку свойственно ошибаться» — цитата на латыни об ошибках управления звуковыми приборами, приписываемая Сенеке. Усилители мощности, встроенные в акустическую систему, — великое благо. Управляющий процессор, совмещённый с усилителем мощности — не менее полезная идея. Только не такая тривиальная, как может показаться на первый взгляд, если мы говорим об оборудовании высшего класса.
Усилители мощности VOLTA серии MAXIMUM появились на российском рынке профессионального оборудования несколько месяцев назад. Своим появлением новая серия усилителей обязана, прежде всего, коллективу компании MARANI и самому маэстро Микеле Марани, возглавившему разработку и контроль за производством усилителей VOLTA MAXIMUM. В своей работе Микеле Марани смог продемонстрировать все достижения индустрии и во многом превзойти их. Что бы осознать глобальность полученного результата, нет смысла выражаться языком маркетинговых лозунгов. Нужно внимательно изучить инструкцию пользователя или, хотя бы, дочитать статью до конца.
Прежде всего, нужно свыкнуться с мыслью, что усилители VOLTA MAXIMUM — это не просто усилитель мощности с встроенным DSP. Это комбинированный прибор, где процессор управляет преобразованием звукового сигнала, а также контролирует и корректирует работу оконечных каскадов усилителя мощности и блока питания, отслеживая важнейшие параметры последних. Эта возможность позволяет разгрузить от неэффективных энергетических затрат не только оконечные каскады, но и динамические головки, обратная связь от которых также влияет на функционирование усилителя мощности.
Вообще, освобождение отдельных компонентов звукового комплекса от неэффективных нагрузок — задача далеко не надуманная. Если кто-то помимо инструкции пользователя (что уже редкость) заглядывал и в издания потолще, то знает о проблемах звукового оборудования, вызванных, например, температурной компрессией или акустической усталостью. Микеланджело Буонарроти на вопрос, как ему удаётся создавать свои шедевры, ответил: «Я беру кусок мрамора и отсекаю всё лишнее». Смысл фразы заключается в том, что внутри каждой акустической системы может существовать идеальная форма, и нужно лишь освободить её, удалив лишнее нагрузки.
Теперь давайте разберёмся в устройстве и алгоритмах функционирования усилителей VOLTA MAXIMUM.
На момент выхода публикации в линейке представлено 6 моделей усилителей, из которых три — четырёхканальные.
| Модель | MAXIMUM 2-600 | MAXIMUM 2-1200 | MAXIMUM 2-2000 | MAXIMUM 4-300 | MAXIMUM 4-600 | MAXIMUM 4-1000 |
| Выходная мощность, 8 Ом | 2x 620 Вт | 2x 1250 Вт | 2x 1300 Вт | 4x 210 Вт | 4x 400 Вт | 4x 800 Вт |
| Выходная мощность, 4 Ом | 2x 610 Вт | 2x 1250 Вт | 2x 2100 Вт | 4x 300 Вт | 4x 750 Вт | 4x 1100 Вт |
| Выходная мощность, 2 Ом | — | — | — | 4x 310 Вт | 4x 780 Вт | — |
| Выходная мощность, 70-вольтовые линии | 2x 620 Вт | 2x 1250 Вт | 2x 2000 Вт | — | — | 4x 1100 Вт |
| Выходная мощность, 100-вольтовые линии | — | 2x 1250 Вт | 2x 2000 Вт | — | — | — |
| Размеры (ШхВхГ), мм | 482х44х355, 1 U | 482х88х370, 2 U | 482х88х370, 2 U | 482х44х355, 1 U | 482х88х370, 2 U | 482х88х370, 2 U |
| Масса, кг | 5 | 8,5 | 8,5 | 5 | 8,5 | 8,5 |
Существующей линейки вполне достаточно для работы с подавляющим большинством акустических систем, используемых на рынке. Тем не менее, в ближайшее время предполагается расширение модельного ряда серии.
Теперь о том, почему усилители VOLTA MAXIMUM можно считать уникальным предложением на рынке профессионального оборудования.
Если с оконечными каскадами можно разобраться лишь проанализировав бесконечные ряды чисел, не всегда очень понятных, то с управляющей частью приборов можно разобраться более доступными методами. Кроме того, пользователю настоятельно рекомендуется это сделать, так как это даёт ему невиданные ранее возможности по настройке звукового комплекта.
Начнём с управляющего процессора.
Для управления всеми параметрами процессора усилителя VOLTA MAXIMUM предлагается сразу 5 вариантов:
• при помощи ПК посредством порта USB;
• через приложения для мобильных устройств;
• через сетевое подключение;
• посредством протокола DANTE;
• с лицевой панели усилителя (в качестве экстренного варианта).
После установки программы для ПК или приложения для планшета пользователю стоит неспеша полистать окна управления и потратить время на изучение всех возможностей процессора VOLTA MAXIMUM. Если пользователю покажется, что и этого ему мало, значит часть функций от него закрыта паролем администратора, который необходимо ввести в специальном окне. После этого можно приступать к работе.

Прежде всего, нужно разобраться с первичными параметрами — назначить нужные входы, выбрав между аналоговыми и цифровыми, и маршрутизацию выходов.
Далее нужно проверить соответствие сопротивления акустических систем установленному на экране. Это важно, так как мы изначально готовимся к минимизации энергозатрат усилителя с целью повышения его эффективности. Назначение конкретного сопротивления акустических систем не сказывается непосредственно на качестве звукопередачи — практически никто из производителей подобного оборудования вообще не обращают на это внимания. Но, у них и нет механизмов управления выходными каскадами усилителей! Кстати, в ближайшее время будет доступна новая прошивка для усилителей MAXIMUM, где выбор сопротивления нагрузки можно передать в ведение электроники.
Для читателей, хорошо знакомых с таинствами настройки управляющих процессоров, пару следующих страниц можно пропустить и перейти сразу к теме автоматической коррекции сигнала (AEQ).
Затем желательно проконтролировать уровни сигналов и, в случае необходимости, скорректировать значения линков.

Далее мы переходим к более тонким настройкам, для чего переходим в окно работы с входными сигналами.

Работа с АЧХ и ФЧХ сигнала многократно описана в самых различных источниках, поэтому не будем на этом задерживаться. Но, нужно обратить внимание на то, что каждая из 12 полос параметрического эквалайзера имеет возможность выбора из 16 типов фильтров. Кстати, если вы уже имеете готовые настройки FIR-фильтров, произведённые на стороннем оборудовании, можете импортировать готовые значения (буквально одной кнопкой).
Особый интерес вызывает возможность настройки динамического фильтра громкости, который компенсирует неравномерность восприятия человеческим ухом определённых частот звукового диапазона на различной громкости. Данное несовершенство человеческого слуха, описываемое кривыми Флетчера-Мэнсона, может быть успешно минимизировано двумя фейдерами, расположенными в левом нижнем углу окна.
Мы не будем подробно останавливаться на каждой конкретной функции DSP — для этого существует руководство пользователя, к которому мы настоятельно рекомендуем вам обратиться.
Переходим к окну параметров выходных каналов.

Перед вами основное окно регулировки параметров выходных каналов. От корректного обращения с каждым регулятором зависит не только качество звукопередачи комплекта, но и сохранность настраиваемых громкоговорителей. Большинство параметров настройки данного окна можно считать взаимозависимыми, то есть работу над каждым параметром следует соотносить с работой над другими.
Сразу же стоит обратить ваше внимание на кроссовер. Наряду с классическими IIR-фильтрами возможно использовать FIR и, конечно же, MIR-фильтры.
Выбирая между IIR-, FIR- и MIR-фильтрами, рекомендуется руководствоваться понятиями, описанными ниже.
Структура IIR-фильтра (фильтр с бесконечной импульсной характеристикой) обычно используется для реализации перекрёстных преобразований, там, где IIR-фильтр ведёт себя как аналоговые фильтры: область применения широка, а звукопередача естественная, но имеет известный недостаток, связанный с фазовым сдвигом.
FIR-фильтр (фильтр с конечной импульсной характеристикой) успешно решает фазовую проблему, но имеет также такие недостатки, как задержка при работе на низких частотах и крутизна, значительно отличающаяся от таковой у классического аналогового фильтра.
MIR-фильтр (Marani Impulse Response) значительно сокращает задержку, связанную с линейными фазовыми фильтрами, возвращает линейную фазовую характеристику и «звучит» как классический IIR-фильтр. MIR-фильтры с линейной фазовой характеристикой полностью воспроизводят крутизну среза аналоговых фильтров, также в эту секцию добавлены NXF-фильтры с крутизной среза от −40 до −75 дБ.

Секция динамической обработки состоит из двух виртуальных инструментов — RMS-компрессора и пикового лимитера.

Использование RMS-компрессора и его настройка требует определённых знаний, так как от его настройки во многом зависят сохранность целостности восприятия звукового сигнала и звучание звукового комплекта в целом. Для его настройки нужно располагать точными данными о используемых громкоговорителях акустических систем. Мы уже писали об этом подробно. В помощь пользователю предлагается и автоматический режим работы устройства. Кроме того, чтобы минимизировать изменения уровня сигнала после его компрессирования, есть коррекционный фильтр MAKEUP, который работает как в ручном, так и автоматическом режиме.
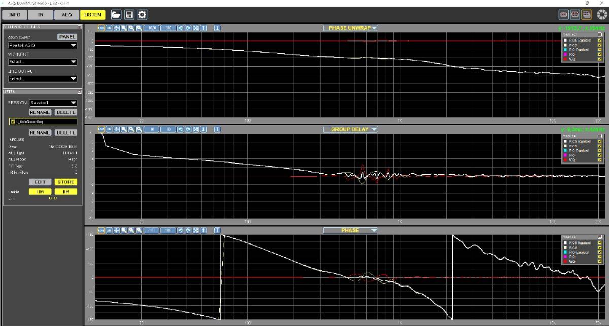
Система AEQ предназначена для анализа и корректировки звукового сигнала, излучаемого акустической системой, по амплитудно-частотным и временным показателям, а также общих и групповых задержек. Исследование и нормализация процесса происходит как на основе снятия импульсных характеристик системы, так и долговременных сигналов в широком диапазоне частот.
Сам процесс, не смотря на сложность внутренних алгоритмов, максимально упрощён для пользователя и помогает ему избежать возможных ошибок, для чего предусмотрены многочисленные подсказки и рекомендации.
Вкратце расскажем о принципах работы AEQ (не стоит путать данную систему с обычным автоматическим эквалайзером).
В первом окне пользователю предлагается выбрать тип и расположение исследуемой системы, правильно подключить и расположить дополнительное оборудование, в том числе измерительный микрофон.


После проверки установки оборудования и тестов звуковой карты и микрофона производится снятие показаний основных параметров акустической системы.


Далее активизируем режим автоматического расчёта коррекционных действий и получаем результирующие данные.


Любой из исходных и полученных параметров может быть скорректирован и в ручном режиме, включая типы используемых фильтров.
После финальной коррекции остаётся лишь лично прослушать результат действий процессора и удовлетворённо покивать головой.


Для сохранения результатов в памяти процессора усилителей предусмотрено 50 слотов.
Это лишь краткий экскурс по возможностям новой серии усилителей VOLTA MAXIMUM. Для детального ознакомления с прибором рекомендуем ознакомиться с инструкцией пользователя или скачать управляющее программное обеспечение, а также попросить прибор для персонального тестирования.
• Эксклюзивные технологии MARANI.
• Запатентованная технология MIR-фильтров.
• Широкие возможности настройки DSP с частотой дискретизации 48 кГц.
• Функция энергосбережения (спящий режим и режим ожидания).
• Защита по постоянному току, защита от высокочастотных помех, тепловая защита.
• Независимый выбор сопротивления нагрузки для каждого канала.
• Инструмент акустической коррекции AEQ.
• Гибкая матрица маршрутизации.
• IIR- и FIR-фильтры.
• RMS-компрессор и пиковый лимитер на каждом выходном канале.
• Управление по USB, TCP/IP и DANTE (опция).
• Одновременное управление до 128 устройствами.
• Группировка каналов с управлением чувствительностью, мьютированием, параметрическим эквалайзером и изменением полярности.
• Приложение Android для удалённого управления.
• Управление с помощью программного обеспечения VOLTA.