Концепция профессиональных акустических систем MASTERS (далее по тексту — «АС») достаточно хорошо известна, хотя в основном это касается непосредственно акустических характеристик нашей продукции.
Нет смысла много говорить о высочайшем качестве компонентов АС MASTERS: высококачественная березовая фанера, идеальное акустическое исполнение и первоклассные громкоговорители.
Все это вполне понятно и подробно изложено инженерами MASTERS в соответствующей документации, доступной на сайте imlight.ru.
Я думаю, что в данной статье более интересным было бы рассмотреть связь между физическими компонентами АС и основными процессами, лежащими в основе разделения частот (кроссоверинга), встроенной коррекцией сигнала, а также коррекцией импульсной характеристики для улучшения акустических параметров АС.
Еще один важный момент, который необходимо осветить, — контроль мощности для достижения наилучших динамических параметров и обеспечение безопасности АС с точки зрения потенциальных рисков для громкоговорителей.
Эти задачи возложены на передовую электронику MASTERS и усилительные модули класса D, которые управляются DSP и слаженно работают над обработкой сигнала на основе анализа его характеристик, что позволяет добиться наилучшего результата в отношении гибкости управления, передачи энергии и общей защиты системы.
Конфигурация и вычислительная мощность для гибкой настройки обработки сигнала без фазовых искажений.
Чтобы добиться идеальной настройки кроссовера, сначала нужно разобраться, что такое кроссовер, и как он работает. Это критически важный момент, и чтобы гарантировать получение необходимого результата для конкретного корпуса АС необходимо реализовать оптимальную обработку сигнала с помощью DSP.
По сути, кроссоверы — это разделительные фильтры, используемые для воспроизведения сигналов определенной частоты громкоговорителями, наиболее подходящими для этой задачи.
Например, кроссовер в двухполосной АС разделяет низко- и среднечастотный сигнал для воспроизведения НЧ/СЧ-громкоговорителем, а высокочастотный сигнал — для воспроизведения твитером. При этом данное разделение частот не должно быть заметно на слух.

Это означает, что мы должны слышать сигналы, воспроизводимые разными громкоговорителями, как если бы они были «одним» громкоговорителем. Базовая конструкция кроссовера предполагает, что расстояние от каждого громкоговорителя до слушателя одинаковое. Однако, поскольку в реальных условиях это расстояние может отличаться, существует необходимость компенсации соответствующей задержки.
Более того, при применении кроссовера по-разному смещается фаза исходного сигнала в зависимости от примененной фильтрации: ФЧХ фильтра нижних частот (НЧ) отстает от частоты разделения кроссовером входного сигнала, а ФЧХ фильтра верхних частот (ВЧ) опережает эту частоту разделения.
Правильно спроектированный и реализованный кроссовер позволяет нивелировать задержку фильтра НЧ и опережение фильтра ВЧ. В итоге они дополняют друг друга и заставляют суммировать сигналы двух громкоговорителей, сохраняя исходные характеристики сигнала.

Чтобы добиться желаемого звучания АС, можно использовать различные кроссоверные фильтры. Все они относятся к фильтрам ВЧ и НЧ, однако для этих двух категорий доступно множество подтипов: фильтры Линквица-Райли, Бесселя и Баттерворта с различной крутизной среза.
Например, фильтры Баттерворта имеют следующие параметры среза:


Крутизна среза:
1 –> 6 дБ/окт., фильтр 1-го порядка.
2 –> 12 дБ/окт., фильтр 2-го порядка.
3 –> 18 дБ/окт., фильтр 3-го порядка.
4 –> 24 дБ/окт., фильтр 4-го порядка.
5 –> 48 дБ/окт., фильтр 5-го порядка.
Итак, зачем использовать определенный тип фильтра с характерной крутизной спада?
Срез 6 дБ на октаву полезен для плавной обработки звука — чуть менее яркой, менее резкой, в зависимости от фильтра верхних или нижних частот. Срез 12 дБ на октаву более полезен в творческом музыкальном контексте. Срез 18 дБ на октаву даже больше, так как вы можете вырезать большие области частот и не слышать почти ничего из того, что хотите удалить из сигнала.
Срез 24 дБ на октаву для большинства областей применения немного резковат. Это похоже на край утеса, а не на крутой холм, и вы можете услышать «переходную границу», где отклик внезапно начинает затухать.
Однако уровень 24 дБ на октаву может быть полезным, поскольку он позволяет срезать полосу ВЧ, сохраняя при этом «отрывистость» звука. Значения крутизны среза 12 дБ и 18 дБ на октаву обычно используются для разделения полос между низко-, средне- и высокочастотными громкоговорителями.
Крутизна среза 24 дБ на октаву обычно находит применение только в системах, где активный кроссовер (для которого легче реализовать фильтр 24 дБ на октаву) разделяет полосы частот перед тем, как сигналы проходят через усилители мощности.
В конце концов, нам все равно нужно вернуться к тому, что было сказано в начале обсуждения кроссоверинга.
При прослушивании музыки НЕ предполагается «слышать громкоговорители»: звук должен просто появляться в зоне слушателей, исходить из правильного источника и звучать «правильно». Цель любого громкоговорителя или их комплекта — «быть неосязаемым».
Из всего вышесказанного становится ясно, что для реализации идеального кроссовера с алгоритмами DSP простой базовой обработки сигнала недостаточно. Чтобы получить высококачественное разделение частот, требуется высокая точность при расчете кроссоверных фильтров НЧ и ВЧ.
Тип и крутизна среза фильтров придают особое звучание, которое зачастую характеризует всю акустическую систему. Это, конечно, создает огромные проблемы с поддержанием линейной фазовой характеристики системы и правильным выравниванием гармоник суммируемых полос после использования кроссоверных фильтров НЧ и ВЧ.
MASTERS располагает лучшим набором инструментов для обработки сигнала, который обеспечивает максимальную свободу в выборе кроссоверных фильтров и позволяет держать ФЧХ под контролем. Для этого все усилительные модули активных АС и рэковые усилители для пассивных АС MASTERS оснащены мощным функционалом DSP-обработки:
• Высокая точность, до 96 бит, для расчета IIR-фильтров;
• Инновационные MIR-фильтры.
В частности, MIR-фильтры обеспечивают преимущества классических аналоговых IIR-фильтров, но при этом обладают линейной фазовой характеристикой с очень малой задержкой. Это позволяет устранить фазовые проблемы, которые присущи IIR-фильтрам, и дает системным инженерам полную свободу действий при выборе наилучшей конфигурации кроссовера.

Таким образом, MIR-фильтры звучат как классические IIR-фильтры, но не имеют фазовых проблем благодаря усовершенствованной обработке DSP.
Линеаризация АЧХ и ФЧХ в зависимости от конкретной АС и требуемых задач, а также контроль динамических параметров для защиты громкоговорителей.
После решения проблемы разделения частот кроссовером необходимо перейти к дальнейшим встроенным процессам обработки.
Корпус любой АС, даже очень хорошо продуманный и спроектированный, имеет внутренние отражения и специфические резонансы, которые делают его частотную характеристику не совсем ровной.

По этой причине после назначения кроссоверных фильтров необходимо применить определенную степень коррекции для сглаживания характеристики корпуса АС.
Встроенная коррекция сигнала выравнивает провалы и пики по амплитуде, создаваемые внутренними отражениями, а также исправляет проблемы с фазой, в основном на высоких частотах, возникающие из-за внутренней интерференции звуковых волн в корпусе.

Внутренняя коррекция сигнала отвечает за то, чтобы максимально сгладить отклик используемых громкоговорителей: то, что обычно необходимо получить после измерения IR (импульсной характеристики) системы.
Наряду с необходимостью выравнивания импульсной характеристики АС также существует необходимость активировать автоматические процессы, которые помогают защитить громкоговорители и усилитель. Неправильное использование может приводить к механическим повреждениям громкоговорителей и их неисправности, вызванной избыточными тепловыми нагрузками. Что касается усилителей, то подача на них сигналов с «жесткими» характеристиками также может привести к их повреждению. Приведем пример такого сигнала — прямоугольная волна, применение которой может повышать выдаваемую максимальную мощность до +3 дБ, по сравнению с другими тестовыми сигналами, например, синусоидальной волной. В данном конкретном случае существует необходимость или обеспечения защиты от воздействия подобных сигналов (ограничение мощности), или требование к использованию усилителя в нормальных условиях с уровнем −3 дБ от его максимальной мощности (что в конечном итоге снижает КПД усилителя).

В общем случае стандартная электроника не может справиться с двумя описанными выше ситуациями: скорректировать импульсную характеристику АС и обеспечить надлежащую защиту громкоговорителей от пиковых, тепловых нагрузок и искаженных сигналов. Кроме того, в случае рэковых усилителей для пассивных АС также необходимо учитывать значение сопротивления нагрузки для управления мощностью.
Если же говорить о продукции MASTERS, усилительные модули для активных АС и рэковые усилители для пассивных АС MASTERS обеспечивают защиту АС от потенциальных проблем и неправильного использования, причем DSP-обработка позволяет точно контролировать АЧХ и ФЧХ сигнала.
Активные АС MASTERS включают следующий функционал:
• Комбинированная IIR- и FIR-фильтрация для выравнивания АЧХ;
• FIR-фильтрация до 512 отсчетов для фазовой линеаризации СЧ и ВЧ.
Оба процесса поддерживаются встроенным инструментом AEQ (автоматическая коррекция сигнала), позволяющим измерять импульсную характеристику громкоговорителей и помещений. Об этой функции будет рассказано далее.

В пассивных АС MASTERS также могут быть реализованы эти функции при условии их использования с рэковыми усилителями MASTERS, которые имеют аналогичный инструментарий.
Что касается управления мощностью и защиты громкоговорителей, в усилительных модулях и рэковых усилителях реализованы все необходимые функции для всех упомянутых выше случаев:
• RMS-компрессоры;
• Пиковые лимитеры;
• Жесткие лимитеры;
• RMS-лимитеры.
Особенностью этих инструментов динамической обработки является чрезвычайно низкий уровень искажений, вносимых в сигнал во время их работы.
Чтобы получить этот результат, RMS-лимитеры, в частности, способны рассчитывать основную характеристику ограничиваемого сигнала, чтобы автоматически изменять время срабатывания на основе этого анализа.
RMS-компрессоры используются для защиты вуферов или НЧ/СЧ-громкоговорителей от тепловых нагрузок. Таким образом, значение времени срабатывания и восстановления достаточно велико, что позволяет осуществлять компрессию при постоянном присутствии сигнала высокого уровня, что может привести к нагреву катушек громкоговорителей.
Пиковые лимитеры используются для защиты громкоговорителей от пиковых сигналов, поэтому имеют короткое время срабатывания.
Жесткий лимитер блокирует сигнал в том случае, если динамика его увеличения настолько быстрая, что он не может быть обработан пиковым лимитером.
Наконец, RMS-лимитер анализирует форму сигнала и снижает подаваемую мощность при обнаружении искаженного сигнала.
Все описанные выше процессы динамической обработки DSP относятся к скрытым процессам и настраиваются для каждой АС MASTERS.
Таким образом, мощность в АС MASTERS подается «сознательно», учитывая необходимость быть максимально возможной, но с учетом характеристик исходного сигнала. Все усилительные модули и рэковые усилители MARANI класса D оснащаются DSP-процессором. Это означает, что основной блок DSP используется для всех расширенных процессов обработки исходного сигнала, а дополнительный блок DSP — для функций управления мощностью и защиты.

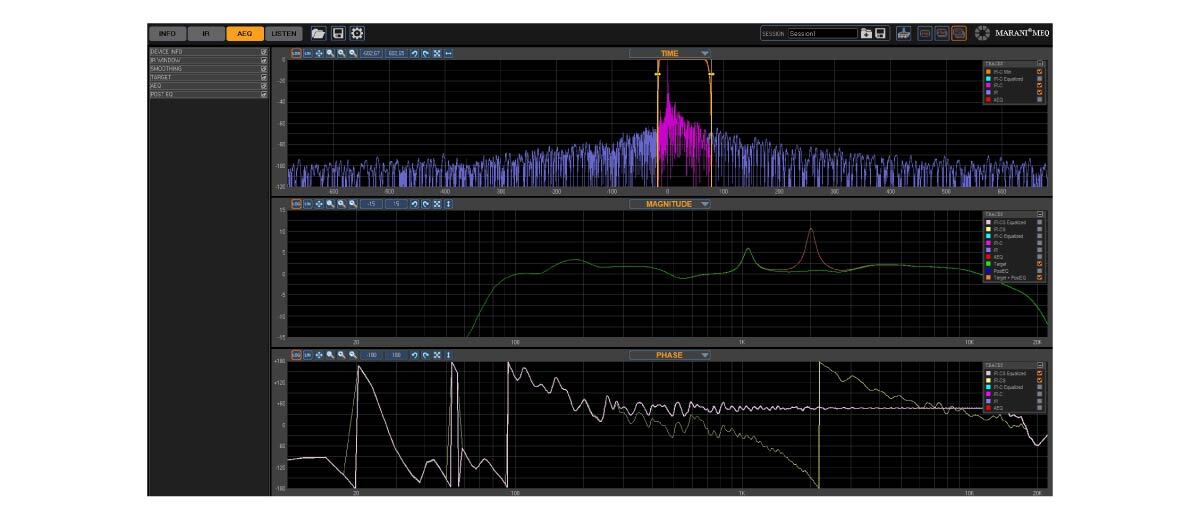
Определение импульсной характеристики громкоговорителей и помещений.
В АС MASTERS доступны пресеты, подходящие для нескольких конкретных областей применения. Это является распространенной практикой.
Что отличает продукцию MASTERS от продукции других производителей, — это качество доступных процессов обработки сигнала и количество типов фильтров для настройки параметрического эквалайзера PEQ, используемого для целевой коррекции сигнала.
Тем не менее, главной особенностью, которая делает продукцию MASTERS уникальной, является встроенный инструмент AEQ, который также доступен для пользователя.
Этот инструмент позволяет получить автоматическую акустическую коррекцию помещения с помощью использования внешнего аудиоинтерфейса с поддержкой ASIO и микрофона.
AEQ — это инструмент, который можно использовать для измерения импульсной характеристики АС, установленной в помещении, и автоматически определять АЧХ и ФЧХ самого помещения, а также рассчитывать IIR- и FIR-фильтры для коррекции акустических характеристик этого помещения.


В целом, из всего вышесказанного следует, что АС MASTERS не только очень хорошо спроектированы с точки зрения акустического дизайна и выбора материалов, таких как высококачественная фанера для корпусов и первоклассные громкоговорители, но и оснащаются самыми передовыми технологиями обработки сигнала.
• MIR-фильтры с линейной фазовой характеристикой;
• FIR-фильтрация;
• Продвинутый контроль динамических параметров с анализом сигналов для управления мощностью;
• Инструмент AEQ для автоматического расчета коэффициентов IIR- и FIR-фильтров;
• Возможность использования файлов EASE Gll для всех АС.
Все это в значительной степени использовалось инженерами MASTERS для настройки и получения наилучших акустических результатов.
Конечно, нет предела совершенству, и именно над улучшением производительности систем постоянно работают инженеры MASTERS, в том числе с учетом отзывов пользователей.
Очень важно отметить возможность кастомизации доступных процессов обработки сигнала. Благодаря гибкости передовых технологий в области электроники и программного обеспечения MASTERS может предложить индивидуальные решения в соответствии с конкретными требованиями клиентов.
Таким образом, продукция MASTERS не только относится к премиальному сегменту профессионального звукового оборудования, но и представляет собой новый шаг вперед на пути технологий звукопередачи.
Автор: Микеле Марани.
Войдите чтобы комментировать